PP电子

振动筛

振动筛12年生产厂家

过滤,除杂,分级

联系方式
首页 > 产品中心 > 立式防爆振动电机

立式防爆振动电机

价格:500-1600元

立式防爆振动电机用在爆炸性气体环境、爆炸性粉尘环境中,绝缘等级和防护等级高。

2.5-40N激振力:

380V电压:

≥IP55防护等级:

特点:运行中不产生电火花,安全性较高;接线盒的密封性好。

适用:是粉状、粒状、块状物料机械化输送、给料、破碎、筛分、充填、振实、造型、落砂、料仓防闭塞等振动机械激振源。

厂家微信

厂家直销
一对一指导
上门安装
质保1年

全国统一销售热线0373-2682 333

免费获取报价

立式防爆振动电机

BZDL立式防爆振动电机产品概述:

立式防爆振动电机图片展示

BZDL立式防爆振动电机是一种可以在易燃易爆厂所使用的一种电机,运行时不产生电火花。防爆电机主要用于煤矿、石油自然气、石油化工和化学工业。此外,在纺织、冶金、城市煤气、交通、粮油加工、造纸、医药等部门也被广泛应用。立式防爆振动电机作为主要作为旋振筛的力源替代振动筛行业原来普通防爆电机带激振器的振动模式,其优点安装操作方便,安全性更好。

立式防爆振动电机在旋振筛上的安装视频

BZDL立式防爆振动电机细节展示:

立式防爆振动电机

BZDL立式防爆振动电机工作原理:

BZDL立式防爆振动电机隔爆外壳允许进入内部的爆炸性气体混合物(或爆炸性粉尘混合物)在外壳内发生燃烧爆炸,但是不允许爆炸生成物从外壳内部通过通往外壳外部的任何通道窜到外壳外部,点燃周围的爆炸性气体混合物(或爆炸性粉尘混合物)。电动机具有这样的外壳,只要它外部表面的高温度不超过相应的温度组别的温度值,就不会成为周围的爆炸性气体混合物(或爆炸性粉尘混合物)的点燃源。

BZDL立式防爆振动电机应用

1、爆炸性气体环境:在大气条件下,可燃物质以气体或蒸气的形式与空气形成的混合物,被点燃后,能够保持燃烧自行传遍的环境。

2、爆炸性粉尘环境:在大气条件下,可燃物质以粉尘、纤维或飞絮的形式与空气形成的混合物,被点燃后,能够保持燃烧自行传遍的环境。可燃性粉尘:是指标称尺寸 500μ m及以下的固体颗粒,可悬浮在空气中,也可依靠自身重量沉淀下来,可在空气中燃烧或焖燃,在大气压力和常温条件下可与空气形成爆炸性混合物的颗粒。

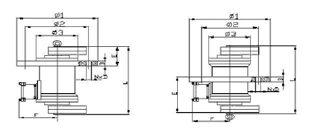
BZDL立式防爆振动电机型号规格表:

立式防爆振动电机外形尺寸

型号 级数 额定 激振力(KN) 额定功率
(KW)
额定电压(V) 额定电流(A) 额定频率(Hz) 振率
次/min
接法 绝缘等级 工作定额 防护等级
ZDL
BZDL
2.5 4 2.5 0.13 380 0.42 50 1380 Y F SI IP55
6 0.2 380 0.72 50 900 Y F SI IP55
5 4 5 0.25 380 0.90 50 1380 Y F SI IP55
6 0.4 380 1.30 50 900 Y F SI IP55
8 4 8 0.45 380 1.50 50 1380 Y F SI IP55
6 0.55 380 1.70 50 920 Y F SI IP55
10 4 10 0.55 380 1.80 50 1380 Y F SI IP55
6 0.75 380 2.10 50 920 Y F SI IP55
16 4 16 0.75 380 2.30 50 1410 Y F SI IP55
6 1.1 380 3.37 50 940 Y F SI IP55
20 4 20 1.1 380 3.30 50 1410 Y F SI IP55
6 1.5 380/660 3.78/2.2 50 940 Y F SI IP55
30 4 30 1.5 380/660 4.9/2.83 50 1410 Y F SI IP55
40 4 40 1.85 380/660 4.70/2.70 50 1410 Y F SI IP55

振动电机发货图片:

立式防爆振动电机装车发货图片

售后服务:

1.保修期内非因操作不当造成需要更换的零配件及设备由我厂负责包修、包换。

2.质量保证期结束后,我厂将继续免费提供售后服务,不限年份终身服务,仅收取零部件成本费,免收人工费,免收维修费。

服务承诺:

为了向您提供完善的售后服务,请将您的宝贵意见、建议及要求反馈给我厂。我们感谢贵单位使用我厂的产品,我厂建立有完整的营销网络及完善的售后服务体系,售后服务部已将您购买的产品建立了信息档案。如果您购买的产品出现质量问题,我们将及时为您提供全方位的服务。

sitemap网站地图