PP电子

振动筛

振动筛12年生产厂家

过滤,除杂,分级

联系方式
振动筛 > 产品中心 > CZ电磁仓壁振动器

CZ电磁仓壁振动器

450-1750元/台

电磁仓壁振动器是靠高频振动和冲力来消除物料由于磨擦,潮解,带电造成的堵塞问题。

10-1500kw振动力:

0.08-0.45kw功率:

3000次/分振动频率:

产品特点:具有体积小、重量轻、结构简单、耗电量低和维修量小

适用行业:应用于矿山、冶金、化工、建材、机械等各行业中

选型要点——详情咨询

按照激力不同:惯性式电动式,电磁式,电液式,气动式液压式等。

根据额定功率:功率0.12kw—料仓壁厚3.2-4.5mm,功率0.22kw—料仓壁厚4.5-6mm, 功率0.37kw—料仓壁厚6-8mm功率0.75kw—料仓壁厚8-10mm,功率1.1kw—料仓壁厚10-13mm(功率不同,所适用的料仓溜槽壁厚也不同)

厂家直销 一对一导购送货上门质保一年
CZ电磁仓壁振动器

电磁仓壁振动器产品概述:

电磁仓壁振动器是靠高频振动和冲击力,有效地消除物料由于内摩擦、潮解、带电、成分偏析等原因而引起的堵塞、搭拱现象,使物料从料仓口顺利排出,保证稳定地供料所必需的设备。CZ型仓壁振动器已广泛地应用于矿山、冶金、化工、建材、机械等各行业中。

4台CZ电磁仓壁振动器展示图

CZ电磁仓壁振动器准备发货现场图展示

电磁仓壁振动器工作原理

CZ电磁仓壁振动器结构主要:铁芯,机座,线圈,共振弹簧,振动体,调整螺栓等。

电磁仓壁振动器特点

CZ型电磁仓壁振动器具有体积小、重量轻、结构简单、耗电量低和维修量小的特点。仓壁振动器由振动体、共振弹簧、电磁铁、底座等部件组成。有CZ10型、CZ50型、CZ100型、CZ250型、CZ600型、CZ1000型。振动力:10~1000。功率:0.008~0.2kw。

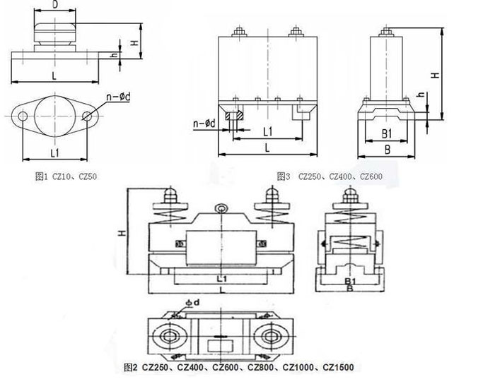
电磁仓壁振动器外形结构和技术参数:

外型尺寸如图:图(2)为CZ250、CZ400、CZ600、CZ800、CZ1000型螺旋弹簧仓振器,图(1)为CZ10型、CZ50、CZ100型为环氧板簧仓振器。

CZ电磁仓壁振动器cz250,cz400,cz800,材质000,cz1500的外形尺寸描述。

电磁仓壁振动器外形图

型号 振动力(kg) 功率(kw) 工作电压(V) 工作电流(A) 振动频率(次/分) 振动体幅度(mm) 适用仓壁厚度(mm)
CZ10 10 0.008 220 0.11 3000 1.5 0.6-0.8
CZ50 50 0.03 1.1 1.5 1.2-1.6
CZ100 100 0.06 1.0 1.5 2.5-3.2
CZ250
(CZ200)
250 0.1 1.6 2 1.0-4.0
CZ600
(CZ400)
600 0.15 2.3 2 3.0-8.0
CZ1000
(CZ800)
1000 0.2 3.8 2 6.0-14
CZ1500 1500 0.45 7.0 2 6.0-14

电磁仓壁振动器安装

电磁仓壁振动器的不同安装位置图片展示

CZ电磁仓壁振动器应用:

电磁仓壁振动器可用于各种振动机械,如给料机,小型输送机,振动筛,振动平台及仓壁振动等等场合,使用灵活方便。振动强度可用控制器随意调节。

CZ电磁仓壁振动器在小型料仓,方形料仓,圆锥形料仓上的安装现场图展示。

各种型号不同角度的CZ电磁仓壁振动器图片展示

sitemap网站地图