振动筛12年生产厂家
过滤,除杂,分级

100-3300kg/h处理量:
0.18-2.2kw功率:
<10mm入料粒度:
特点:不用工人不间断投料节省人工,蝶阀控制流量大小
适用:用于0-400目的粉状,颗粒状等PP电子物料,可过滤0-600目浆液等液体物料。
选型要点
按材质分:碳钢,不锈钢(食品,医药行业专用),塑料(耐强酸,强碱腐蚀)
按型号分:直径400mm-1800mm

移动式振动筛又叫振动筛料仓一体机,底部加装PP电子轮,可360度旋转移动,主要应用于筛分场所不固定的环境,便于用户移动,满足不同地点的工作需要。通过调节料仓中的蝶阀从而控制物料进入振动筛的流量,然后振动筛进行筛分作业,本品的特点间歇性加料,不用工人不间断投料节省人工,蝶阀控制流量大小能提高筛分精度。


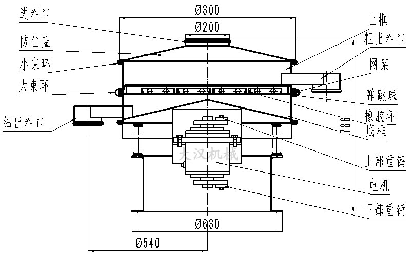
移动式振动筛由直立式振动电机作为激振源,电机上、下两端安装有偏心重锤,将电机的旋转运动转变为水平、垂直、倾斜的三次元运动,再把这个运动传递给筛面进行筛分。调节上、下两端的相位角,可以改变物料在筛面上的运动轨迹。



化工行业:树脂、涂料、工业药品、化妆品、油漆、中药粉等。
食品行业:糖粉、淀粉、食盐、米粉、奶粉、豆浆、蛋粉、酱油、果汁等。
金属、冶金矿业:铝粉、铅粉、铜粉、矿石、合金粉、焊条粉末、二氧化锰、电解铜粉、电磁性材料、研磨粉、耐火材料、高岭土、石灰、氧化铝、重质碳酸钙、石英砂等。
公害处理:废油、废水、染整废水、助剂、活性碳等。

PP电子振动筛厂家可根据客户需求设计特殊型号,无论物料是干是湿,是精细是粗糙,是比重大是比重轻,0-400目都可以筛选,不管是液态的,还是浆状的0-600目都可以过滤."PP电子"旋振筛系列产品同时配备专门的筛网清理装置,把堵网率降到低,过网率和处理精度得以有效提高."PP电子"具备特殊型号制造的能力让顾客对"PP电子"有更多的选择。

Copyright ? 2007-2019 振动筛厂家-PP电子 | All Rights Reserved 版权所有
备案序号:豫ICP备09002479号-1