PP电子

  • 振动筛

    振动筛12年生产厂家

    过滤,除杂,分级

    联系方式
    首页 > 产品中心 > 三次元振动筛

    三次元振动筛

    价格:3500-38000元

    三次元振动筛用于分离粉末、颗:鸵禾褰稀K梢宰既啡コ嗟奈廴疚,能在一次操作中实现2-5种不同规格物料的筛选。

    2-500目筛网规格:

    100-2000公斤/时产量:

    1-5层层数:

    特点:筛分精度高、网孔不易堵塞、全封闭结构、无粉尘污染

    适用:分级(颗粒/粉末准确分级),过滤(去除异物/结块),除杂(去除液体中的颗粒/异物)

    厂家微信

    厂家直销
    一对一指导
    上门安装
    质保1年

    全国统一销售热线0373-2682 333

    免费获取报价

    三次元振动筛
    • 碳钢材质
      碳钢
    • 不锈钢材质
      不锈钢
    • 塑料材质
      塑料耐腐蚀

    三次元振动筛概述

    三次元振动筛处理粉末,颗粒,浆液物料试机视频

    三次元振动筛一种高精度的细粉末筛分设备,具有广泛的应用范围,可筛分任何颗粒、细粉、浆液。因其外观呈圆形,故又称圆形振动筛。可用于单层除杂、多层分级、固液分离过滤,筛层数为1-5层,可分为2-6个排料口,效率高,产量大,换网仅需3-5分钟。

    三次元振动筛主要用于粉末、颗粒物料筛选和液体过滤

    三次元振动筛材质可分为:半不锈钢,全不锈钢,全碳钢,塑料等。

    三次元振动筛工作原理

    三次元振动筛工作原理是利用电机轴上下安装的重锤(不平衡重锤),将电机的旋转运动转变为水平、垂直、倾斜的三次元运动,再把这个运动传递给筛面,使物料在筛面上做外扩渐开线运动,故该系列振动筛称之为旋振动筛。旋振筛具有物料运行的轨迹长,筛面利用率高等优点,调节上、下两端重锤的相位角,可改变物料在筛面上的运动轨迹.可以对物料进行精筛分、概率筛分等。

    三次元振动筛:粉粒,粘液,小颗粒均可筛分,

    三次元振动筛原理图

    三次元振动筛型号和参数

    型 号 DH-600 DH-800 DH-1000 DH-1200 DH-1500 DH-1800 DH-2000
    产品图片 600型三次元振动筛,产量可达500kg/h。 800型单层三次元振动筛,产量可达800kg/h。 1000型三次元振动筛,产量可达1100kg/h。 1200型三次元振动筛,产量可达2100kg/h。 1500型三次元振动筛,产量可达1100kg/h。 1800型三次元振动筛 2000型三次元振动筛(大型号)
    直径mm Φ600 Φ800 Φ1000 Φ1200 Φ1500 Φ1800 Φ2000
    筛网面积m 0.24 0.45 0.67 1.0 1.6 2.43 3.01
    筛网规格(目) 2-500
    进料粒度mm <Φ10 <Φ15 <Φ20 <Φ30
    振次rpm 1500
    有效筛面直mm Φ560 Φ760 Φ930 Φ1130 Φ1430 Φ1760 Φ1960
    层数 1-5
    功率Kw 0.25 0.55 0.75 1.1 1.5 2.2 3

    定制型号

    三次元振动筛不同结构展示:标准型,加料斗型,加缘型,底座加高型,气体保护型,加支架型。

    三次元振动筛的特点

    三次元振动筛的特点:筛网使用时间长换让时间短,筛网不堵塞,可筛至500目或0.028mm。

    1、筛分精准:可筛细至500目或0.028mm的粉末和颗粒,液体物料可过滤至5微米。

    2、不堵网:设有弹跳球清网装置,连续撞击筛网,不堵网,可达到清网目的。对于粘性和静电材料,可以使用超声波清洗装置。

    3、无污染:全封闭结构,无粉尘外溢,防止产品泄漏,改善工作环境。

    4、单层或多层筛分:可筛选1~5层筛网,可同时进行2~6级分选或过滤。

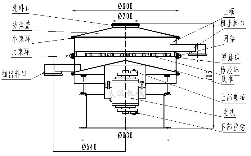
    三次元振动筛外形结构

    结构由:进料口,防尘盖,大/小束环,粗/细出料口,上框,弹跳球,橡胶环,底框,上部重锤,电机等结构。

    三次元振动筛细节

    部件包括:密封盖,环束,电机,底座,筛网,筛框等。

    三次元振动筛使用的行业

    广泛应用于:食品化工,医药,涂料等行业

    化工行业:树脂、涂料、工业药品、化妆品、油漆、中药粉等。

    食品行业:糖粉、淀粉、食盐、米粉、奶粉、豆浆、蛋粉、酱油、果汁等。

    金属、冶金矿业:铝粉、铅粉、铜粉、矿石、合金粉、焊条粉末、二氧化锰、电解铜粉、电磁性材料、研磨粉、耐火材料、高岭土、石灰、氧化铝、重质碳酸钙、石英砂等。

    公害处理:废油、废水、染整废水、助剂、活性碳等。

    三次元振动筛试机展示

    膨化食品,饲料试机,石灰粉试机,贝壳粉试机,乳胶漆试机等

    三次元振动筛怎么调振幅大小

    1、通过挠性连轴带动镶嵌在筛框上的两组激振器旋转产生振动,振动电机上下各有一块偏心重锤,即所谓的偏心块,通过调整上下偏心块的数量,我们可以达到控制筛面水平振动幅度和上下振动幅度的大。刂萍ふ窳。

    2、通过调整振动筛电机角度的大小可以调整所筛选物料在振动筛里边的运行轨迹,通常主要是指物料在振动筛里边的运行和扩散的速度。

    在出厂时振动电机偏心块间的夹角是45°,如果在后期使用过程中需要调整振动筛角度的话,可按照如下方法操作:

    1、当夹角为0度时:物料从中心向四周快速移动,此时物料在筛面上的移动轨迹短,一般用于物料的粗筛。

    2、当夹角为15度时,物料在漩涡中运动,物料运动路径适中,主要用于普通筛分。

    3、当夹角为45度时,材料在漩涡中运动。此时物料在筛面上的输送路径长,用于精密筛分。

    4、当角度为90度时,物料从四周向中心移动,一般用于湿筛或特殊物料的筛分。

    具体三次元振动筛电机偏心块的夹角和物料的运动轨迹如下图所示:

    三次元振动筛的调节

    三次元振动筛的安装与调试

    (一)三次元振动筛应有稳定的基础。当设备安装于一般地面或水泥基础上时,可以不设置地脚螺栓。当设备安装于钢结构架台之上时,应用螺栓紧固于结构体上,而且钢结构架台应有一定的钢度。

    本机只需三相开关一只(备注:好使用电气控制盘),用蛇皮管穿线,将电机接至电源即可,注意电气控制盘应悬挂安装于墙上。

    (二)设备出厂前已将筛网装妥,使用过程中的筛网更换可自己更换。

    (三)开机前,应先检查各压紧螺栓的紧固程度,及各料口的位置是否与接料器对正,并观察振动电机是否能正常转动及弹簧受力有无阻碍,检查各层筛网是否压紧。

    (四)当三次元振动筛接入电气控制盘之前,应首先对电气控制盘进行检查。线路接通后观察振动电机旋转方向是否是顺时针方向,
    (备注:否则应改变相序)运转是否正常,有无异噪声。

    (五)调节振动电机上下偏心块的相位角,以适应各种物料筛分情况。

    sitemap网站地图