振动筛12年生产厂家
过滤,除杂,分级

3电机功率:kw
2-500筛网面积:(目)
1960有效直径:(mm)
适合各种粉料和浆液小批量的生产使用,该机体积小方便移动

全国统一销售热线
免费获取报价

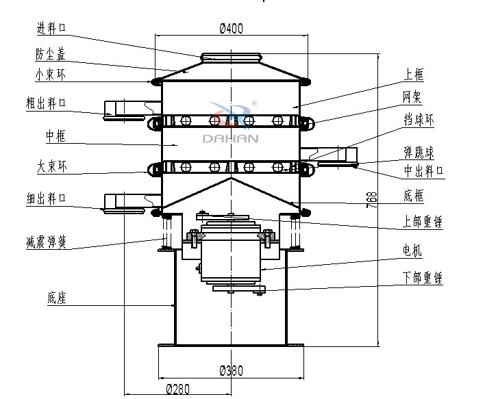
400型全不锈钢振动筛为400mm直径两层三个出料口不锈钢旋振筛,整机为不锈钢材质,广泛应用于医药行业中的药粉的筛分,适合各种粉料和浆液小批量的生产使用,该机体积小方便移动。




振动筛由直立式振动电机作为激振源,电机上、下两端安装有偏心重锤,将电机的旋转运动转变为水平、垂直、倾斜的三次元运动,再把这个运动传递给筛面进行筛分。调节上、下两端的相位角,可以改变物料在筛面上的运动轨迹。



☆ 效率高、设计精巧耐用,粉类、粘液均可筛分。
☆ 换网容易、操作简单、清洗方便。
☆ 网孔不堵塞、粉末不飞扬、可筛至400目或0.028mm。
☆ 杂质、粗料自动排出,可以连续作业。

化工行业:树脂、涂料、工业药品、化妆品、油漆、中药粉等。
食品行业:糖粉、淀粉、食盐、米粉、奶粉、豆浆、蛋粉、酱油、果汁等。
金属、冶金矿业:铝粉、铅粉、铜粉、矿石、合金粉、焊条粉末、二氧化锰、电解铜粉、电磁性材料、研磨粉、耐火材料、高岭土、石灰、氧化铝、重质碳酸钙、石英砂等。
公害处理:废油、废水、染整废水、助剂、活性碳等。
Copyright ? 2007-2019 振动筛厂家-PP电子 | All Rights Reserved 版权所有
备案序号:豫ICP备09002479号-1