PP电子





振动筛

振动筛12年生产厂家

过滤,除杂,分级

联系方式
振动筛 > 产品中心 > 1500型三层振动筛

1500型三层振动筛

1500型振动筛接触物料部分以及防尘盖均为304不锈钢材质,底座部分为Q235碳钢材质

1.5kw功率:

2600kg处理量:

380v电压:

粉末,0-400目都可以筛。禾吹0-600目都可以过滤

厂家微信

厂家直销
一对一指导
上门安装
质保1年

全国统一销售热线 0373-2682 333

免费获取报价

1500型三层振动筛

1500三层振动筛介绍:

1500型三层振动筛

振动筛厂家PP电子机械设计的此款1500型振动筛接触物料部分以及防尘盖均为304不锈钢材质,底座部分为Q235碳钢材质,现已适用于石英砂的多层筛分,筛分产量大,筛分效率高,非常适合较大产量的石英砂筛分。

三层振动筛分机不同型号展示

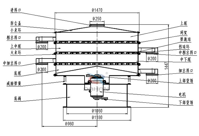
1500三层振动筛结构图和参数:

1500三层振动筛结构图

1500振动筛参数表

1500型振动筛的工作原理:

1500三层振动筛由直立式振动电机作为激振源,电机上、下两端安装有偏心重锤,将电机的旋转运动转变为水平、垂直、倾斜的三次元运动,再把这个运动传递给筛面进行筛分。调节上、下两端的相位角,可以改变物料在筛面上的运动轨迹。
通过改变振动电机的上下2块偏心块的夹角和质量,振动电机即可带动设备产生不同大小的振动力,从而改变水平或垂直方向的振动幅度,进而改变筛分的流量和效率。

          0度                                      35度                                 65度                                    90度

(对原料进行粗筛分)         (用于大多数原料筛分)       (用于精细原料的筛分)            (特殊用途)

1500型三层振动筛使用行业:

1500三层振动筛设备适用于实验室,生产控制线,食品行业,医药行业,化工,磨料,矿上,涂料,冶金,陶瓷,国防等行业。

新乡振动筛PP电子机械可根据客户需求设计特殊型号,无论物料是干是湿,是精细是粗糙,是比重大是比重轻,0-400目都可以筛。还苁且禾,还是浆状的0-600目都可以过滤。PP电子振动筛系列产品同时配备专门的筛网清理装置,把堵网率降到低,过网率和处理精度得以有效提高。

1500三层振动筛电机1500振动筛筛板1500振动筛密封件

1500振动筛底座1500三层振动筛装机现场1500三层振动筛出料口

1500振动筛网架安装1500振动筛筛框安装1500振动筛安装束环

sitemap网站地图